Allen bolts, also known as hex socket head screws or Allen screws, are common fasteners found in machinery, automotive, electronics, and many more fields. Recognized by their cylindrical head with an internal hexagonal socket, they are tightened or loosened using an Allen key (hex wrench). This guide, based on the expertise of experienced engineers from CNCLATHING, will provide you with a detailed explanation of Allen Bolts, covering what Allen screws are, where and when to use them, head types, HSN code & GST rate, materials, standards, key sizes, torque values, and how to handle common issues.

What is an Allen Bolt (Screw)?
Allen bolts are a type of hex socket head screws with a cylindrical or specially shaped head featuring an internal hexagonal socket. This design allows for a strong clamping force and efficient installation or removal using an Allen key. They are also referred to as socket head cap screws, cup head screws, or simply hex socket screws. Despite the different names, these all point to the same style of fastener.


When to Use Allen Bolts (Hex Socket Head Screw)?
Allen bolts are ideal when a secure, flush, or compact fastening method is needed. Their internal hex drive resists stripping and allows installation in tight spaces where traditional wrenches can’t fit. They are commonly used in:
- Machinery assembly
- Equipment repairs
- Automotive and aerospace components
- Electronics and electrical devices
- Furniture and fixtures
- Applications where aesthetics and a flush finish are important
Their high strength and versatile design also make them a preferred choice in high-stress and precision applications.
Allen Bolt (Screw) Head Types & Uses
Allen bolts come in a variety of head shapes, each tailored for specific needs:
- Cylindrical Head (Socket Head Cap Screw): The most common type, providing strong clamping force for general machinery and engineering structures.
- Button Head (Round Head): Offers a wider, rounded head for more attractive appearance and larger bearing surface.
- Countersunk Head (Flat Head): Designed to sit flush with the surface, used where a smooth finish is necessary.
- Set Screw (Headless, Grub Screw): Lacks a visible head and is used to secure components within assemblies.
- Shoulder Screw (Stripper Bolt): Features a shoulder for precise positioning, used in tooling and molds.
- Torx/Flower-Shaped Head: Rarely seen, offers additional security and unique drive features.
Allen Bolt (Screw) Types in Materials
Material choice impacts performance, corrosion resistance, and strength:
- Carbon Steel (Iron): Common and cost-effective, but softer than stainless steel.
- Stainless Steel (e.g., SUS304, SUS202): Offers superior corrosion resistance and hardness, ideal for harsh environments.
- Alloy Steel: Used for higher strength and durability, often heat-treated for improved properties.
- Aluminum & Other Soft Metals: Used where weight reduction is important, but requires lower torque to avoid damage.
Allen Bolt (Screw) Standards
Allen bolts are produced according to various international and regional standards, each specifying dimensions, tolerances, materials, and mechanical properties:
- ISO Standards: (e.g. ISO 4762, ISO 10642, ISO 7379) widely used globally; measured in millimeters.
- DIN Standards: (e.g. DIN 912, DIN 6912, DIN 7984) popular in Europe; similar to ISO but with some dimensional and tolerance differences.
- GB Standards (China): Uses metric units and commonly found in Chinese manufacturing.
- ANSI/ASME Standards (USA): (e.g. ASME B18.3-2016) uses inch-based measurements; typical in North America.
- SAE Standards: Specifies imperial sizes and tolerances.
Different standards may define head heights, socket depths, and tolerances differently. For example, in GB standards, the head height is typically 0.7 times the screw diameter, while in ANSI it is 0.6 times.
Allen Bolt HSN Code
When sourcing, importing, or exporting Allen bolts or screws, knowing the correct HSN (Harmonized System of Nomenclature) code is important for tax and customs purposes. The HSN code is a standardized international system used to classify traded products, including fasteners like Allen bolts and screws.
Common HSN Code for Allen Bolts and Screws
For Allen bolts (hex socket head cap screws) and similar fasteners made of iron or steel, the typical HSN code is:
- HSN Code: 7318
Under code 7318, the classification covers:
“Screws, bolts, nuts, coach screws, screw hooks, rivets, cotters, cotter-pins, washers (including spring washers) and similar articles, of iron or steel.”
Further breakdown (as per Indian GST and international trade):
- 7318 15 – Other screws and bolts, whether or not with their nuts or washers
- 7318 15 00 – Other screws and bolts, including Allen (hex socket) bolts
How to Use the HSN Code
- For GST (India): Use the HSN code 7318 15 00 when invoicing or filing tax returns for Allen bolts and screws.
- For Customs/Import-Export: Declare Allen bolts under HSN 7318 (or relevant subheading) for smooth clearance and compliance with customs regulations.
Note on Materials: If Allen bolts are made from materials other than iron or steel, such as stainless steel, the code generally remains within 7318, but always verify the subheading based on your country’s tariff schedule.
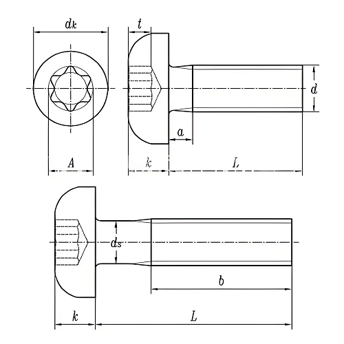
Allen Bolt (Screw) Dimensions
The main allen bolt (screw) dimensions to consider when you are designing and choosing for your project:
- Thread Diameter (d): The nominal diameter of the screw thread.
- Head Diameter (dk): The diameter of the screw head.
- Head Height (k): The height/thickness of the head.
- Socket Size (s): The width across flats of the hex socket (determines Allen key size).
- Thread Pitch (p): The distance between threads (in metric or imperial units).
- Length (l): The length of the screw, often measured from under the head.

How to Calculate Allen Bolt Sizes:
For calculating sizes, refer to standard charts from ISO, DIN, or ANSI. For example, for a metric M6 Allen bolt:
- Head height is about 4 mm (in ISO),
- Socket size is 5 mm,
- Thread diameter is 6 mm.
Metric Standard Allen Bolt Size Chart in MM (IS0 4762 / DIN 912)
| Nom. Size | Thread Pitch | Body Diameter | Head Diameter | Head Height | Chamfer or Radius | Socket Size | Key Engagement | Transition Dia. | ||||
|---|---|---|---|---|---|---|---|---|---|---|---|---|
| Max | Min | Max | Min | Max | Min | Max | Hex | Spline | Min | Max | ||
| M1.6 | 0.35 | 1.60 | 1.46 | 3.00 | 2.87 | 1.60 | 1.52 | 0.16 | 1.5 | 1.829 | 0.80 | 2.0 |
| M2 | 0.40 | 2.00 | 1.86 | 3.80 | 3.00 | 2.00 | 1.91 | 0.20 | 1.5 | 1.829 | 1.00 | 2.6 |
| M2.5 | 0.45 | 2.50 | 2.36 | 4.50 | 4.33 | 2.50 | 2.40 | 0.25 | 2.0 | 2.438 | 1.25 | 3.1 |
| M3 | 0.50 | 3.00 | 2.86 | 5.50 | 5.32 | 3.00 | 2.89 | 0.30 | 2.5 | 2.819 | 1.50 | 3.6 |
| M4 | 0.70 | 4.00 | 3.82 | 7.00 | 6.80 | 4.00 | 3.80 | 0.40 | 3.0 | 3.378 | 2.00 | 4.7 |
| M5 | 0.80 | 5.00 | 4.82 | 8.20 | 8.02 | 5.00 | 4.80 | 0.50 | 4.0 | 4.648 | 2.50 | 5.7 |
| M6 | 1.00 | 6.00 | 5.82 | 10.00 | 9.78 | 6.00 | 5.85 | 0.60 | 5.0 | 5.486 | 3.00 | 6.8 |
| M8 | 1.25 | 8.00 | 7.78 | 13.00 | 12.73 | 8.00 | 7.83 | 0.80 | 6.0 | 7.391 | 4.00 | 9.0 |
| M10 | 1.50 | 10.00 | 9.78 | 16.00 | 15.73 | 10.00 | 9.67 | 1.00 | 8.0 | … | 5.00 | 11.2 |
| M12 | 1.75 | 12.00 | 11.73 | 18.00 | 17.73 | 12.00 | 11.79 | 1.20 | 10.0 | … | 6.00 | 14.2 |
| M14 | 2.00 | 14.00 | 13.73 | 21.00 | 20.67 | 14.00 | 13.77 | 1.40 | 12.0 | … | 7.00 | 16.2 |
| M16 | 2.00 | 16.00 | 15.73 | 24.00 | 23.58 | 16.00 | 15.76 | 1.60 | 14.0 | … | 8.00 | 18.2 |
| M18 | 2.50 | 18.00 | 17.73 | 27.00 | 26.67 | 18.00 | 17.57 | 1.80 | 14.0 | … | 9.00 | 20.4 |
| M20 | 2.50 | 20.00 | 19.73 | 30.00 | 29.53 | 20.00 | 19.70 | 2.00 | 17.0 | … | 10.00 | 22.6 |
| M24 | 3.00 | 24.00 | 23.73 | 36.00 | 35.48 | 24.00 | 23.40 | 2.40 | 19.0 | … | 12.00 | 26.4 |
| M30 | 3.50 | 30.00 | 29.67 | 45.00 | 44.42 | 30.00 | 29.67 | 3.00 | 22.0 | … | 15.00 | 33.4 |
| M36 | 4.00 | 36.00 | 35.61 | 54.00 | 53.37 | 36.00 | 35.64 | 4.00 | 27.0 | … | 18.00 | 39.4 |
| M42 | 4.50 | 42.00 | 41.61 | 63.00 | 62.31 | 42.00 | 41.61 | 4.20 | 32.0 | … | 21.00 | 45.6 |
| M48 | 5.00 | 48.00 | 47.61 | 72.00 | 71.27 | 48.00 | 47.58 | 4.80 | 36.0 | … | 24.00 | 52.6 |
Imperial Standard Allen Bolt Size Chart in Inches (ASME B18.3)
| Nom. Size | Body Diameter (D) | Head Diameter (A) | Head Height (H) | Hex Socket Size (J) | Key Engagement (T) | Wall Thickness (G) | Fillet Diameter (F) | Chamfer or Radius (K) | Thread Length (Lr) | |||||
|---|---|---|---|---|---|---|---|---|---|---|---|---|---|---|
| Max | Min | Max | Min | Max | Min | Nom | Min | Min | Max | Min | Max | Min | Basic | |
| 0 | 0.0600 | 0.0568 | 0.096 | 0.091 | 0.060 | 0.057 | 0.050 | 0.025 | 0.020 | 0.074 | 0.062 | 0.007 | 0.003 | 0.500 |
| 1 | 0.0730 | 0.0695 | 0.118 | 0.112 | 0.073 | 0.070 | 1/16 (0.0625) | 0.031 | 0.025 | 0.087 | 0.075 | 0.007 | 0.005 | 0.625 |
| 2 | 0.0860 | 0.0822 | 0.140 | 0.134 | 0.086 | 0.083 | 5/64 (0.0781) | 0.038 | 0.029 | 0.102 | 0.090 | 0.008 | 0.008 | 0.750 |
| 3 | 0.0990 | 0.0949 | 0.161 | 0.154 | 0.099 | 0.095 | 5/64 (0.0781) | 0.044 | 0.034 | 0.115 | 0.102 | 0.008 | 0.008 | 0.875 |
| 4 (#4) | 0.1120 | 0.1075 | 0.183 | 0.176 | 0.112 | 0.108 | 3/32 (0.0938) | 0.051 | 0.038 | 0.130 | 0.117 | 0.010 | 0.008 | 1.000 |
| 5 | 0.1250 | 0.1205 | 0.198 | 0.192 | 0.125 | 0.121 | 3/32# (0.0938) | 0.051 | 0.038 | 0.130 | 0.117 | 0.010 | 0.008 | 1.125 |
| 6 (#6) | 0.1380 | 0.1329 | 0.226 | 0.218 | 0.138 | 0.134 | 7/64 (0.1094) | 0.064 | 0.047 | 0.158 | 0.144 | 0.010 | 0.008 | 1.250 |
| 8 | 0.1640 | 0.1585 | 0.270 | 0.262 | 0.164 | 0.159 | 9/64 (0.1406) | 0.077 | 0.056 | 0.188 | 0.172 | 0.010 | 0.008 | 1.380 |
| 10 (#10) | 0.1900 | 0.1840 | 0.312 | 0.303 | 0.190 | 0.185 | 5/32 (0.1562) | 0.090 | 0.065 | 0.218 | 0.202 | 0.010 | 0.008 | 1.500 |
| 1/4 | 0.2500 | 0.2435 | 0.375 | 0.365 | 0.250 | 0.244 | 3/16 (0.1875) | 0.120 | 0.095 | 0.278 | 0.261 | 0.010 | 0.010 | 1.625 |
| 5/16 | 0.3125 | 0.3053 | 0.469 | 0.457 | 0.313 | 0.305 | 1/4 (0.2500) | 0.151 | 0.119 | 0.329 | 0.291 | 0.014 | 0.014 | 1.750 |
| 3/8 | 0.3750 | 0.3678 | 0.562 | 0.550 | 0.375 | 0.368 | 5/16 (0.3125) | 0.182 | 0.143 | 0.415 | 0.397 | 0.015 | 0.015 | 2.000 |
| 7/16 | 0.4375 | 0.4294 | 0.656 | 0.642 | 0.438 | 0.430 | 3/8 (0.3750) | 0.213 | 0.166 | 0.484 | 0.465 | 0.015 | 0.015 | 2.250 |
| 1/2 | 0.5000 | 0.4919 | 0.750 | 0.735 | 0.500 | 0.492 | 3/8 (0.3750) | 0.245 | 0.190 | 0.552 | 0.531 | 0.015 | 0.015 | 2.500 |
| 5/8 | 0.6250 | 0.6163 | 0.938 | 0.921 | 0.625 | 0.616 | 1/2 (0.5000) | 0.307 | 0.238 | 0.689 | 0.664 | 0.015 | 0.015 | 2.750 |
| 3/4 | 0.7500 | 0.7380 | 1.125 | 1.102 | 0.750 | 0.738 | 5/8 (0.6250) | 0.370 | 0.288 | 0.826 | 0.801 | 0.015 | 0.015 | 3.000 |
| 7/8 | 0.8750 | 0.8647 | 1.312 | 1.293 | 0.875 | 0.864 | 3/4 (0.7500) | 0.432 | 0.333 | 0.963 | 0.932 | 0.020 | 0.020 | 3.250 |
| 1 | 1.0000 | 0.9886 | 1.500 | 1.479 | 1.000 | 0.988 | 3/4 (0.7500) | 0.495 | 0.380 | 1.100 | 1.068 | 0.020 | 0.020 | 3.500 |
| 1-1/4 | 1.2500 | 1.2336 | 1.875 | 1.852 | 1.250 | 1.236 | 7/8 (0.8750) | 0.620 | 0.475 | 1.370 | 1.333 | 0.020 | 0.020 | 3.750 |
| 1-1/2 | 1.5000 | 1.4818 | 2.250 | 2.224 | 1.500 | 1.485 | 1 (1.0000) | 0.745 | 0.570 | 1.640 | 1.601 | 0.020 | 0.020 | 4.000 |
What is an Allen Bolt Key?
An Allen bolt key, commonly called an Allen key or hex key, is a six-sided tool designed to fit into the hexagonal socket of an Allen bolt. These keys are typically made of hardened steel and are available in both straight and L-shaped forms. The size of the Allen key must match the socket size of the bolt for proper engagement.


Allen Bolt Key Size Chart (MM/Inches)
Allen key sizes correspond to the width across flats of the hex socket in the bolt head. Common metric and imperial sizes include:
Allen Key Sizes for Metric Allen Bolts (ISO 4762 / DIN 912)
| Metric Bolt Size | Hex Key Size (mm) | Hex Key Size (inches) |
|---|---|---|
| M1.6 | 1.5 | 0.059 |
| M2 | 1.5 | 0.059 |
| M2.5 | 2.0 | 0.079 |
| M3 | 2.5 | 0.098 |
| M4 | 3.0 | 0.118 |
| M5 | 4.0 | 0.157 |
| M6 | 5.0 | 0.197 |
| M8 | 6.0 | 0.236 |
| M10 | 8.0 | 0.315 |
| M12 | 10.0 | 0.394 |
| M14 | 12.0 | 0.472 |
| M16 | 14.0 | 0.551 |
| M18 | 14.0 | 0.551 |
| M20 | 17.0 | 0.669 |
| M22 | 17.0 | 0.669 |
| M24 | 19.0 | 0.748 |
| M27 | 19.0 | 0.748 |
| M30 | 22.0 | 0.866 |
| M33 | 24.0 | 0.945 |
| M36 | 27.0 | 1.063 |
| M39 | 27.0 | 1.063 |
| M42 | 32.0 | 1.260 |
| M45 | 32.0 | 1.260 |
| M48 | 36.0 | 1.417 |
| M52 | 36.0 | 1.417 |
| M56 | 41.0 | 1.614 |
| M64 | 46.0 | 1.811 |
Allen Key Sizes for Inch (Imperial) Allen Bolts (ASME B18.3)
| Inch Bolt Size | Hex Key Size (inches) | Hex Key Size (mm) |
|---|---|---|
| 0 | 0.050 | 1.27 |
| 1 | 1/16 (0.0625) | 1.59 |
| 2 | 5/64 (0.0781) | 2.00 |
| 3 | 5/64 (0.0781) | 2.00 |
| 4 | 3/32 (0.0938) | 2.38 |
| 5 | 3/32 (0.0938) | 2.38 |
| 6 | 7/64 (0.1094) | 2.78 |
| 8 | 9/64 (0.1406) | 3.57 |
| 10 | 5/32 (0.1562) | 3.97 |
| 1/4 | 3/16 (0.1875) | 4.76 |
| 5/16 | 1/4 (0.2500) | 6.35 |
| 3/8 | 5/16 (0.3125) | 7.94 |
| 7/16 | 3/8 (0.3750) | 9.53 |
| 1/2 | 3/8 (0.3750) | 9.53 |
| 5/8 | 1/2 (0.5000) | 12.70 |
| 3/4 | 5/8 (0.6250) | 15.88 |
| 7/8 | 3/4 (0.7500) | 19.05 |
| 1 | 3/4 (0.7500) | 19.05 |
| 1-1/4 | 7/8 (0.8750) | 22.23 |
| 1-1/2 | 1 (1.0000) | 25.40 |
How to Calculate and Determine the Key Size for an Allen Bolt?
The correct key size matches the internal width across flats of the Allen socket. For metric bolts, this is usually standardized by size, e.g., an M6 bolt generally uses a 5 mm Allen key. For imperial bolts, check the standard chart or measure the socket across flats and match to the nearest hex key.
Allen Bolt (Screw) Torque
The proper tightening torque for Allen bolts depends on the bolt’s grade, diameter, material, friction, and application scenario. Using the correct torque prevents thread stripping, bolt breakage, and loosening under load.
How to Calculate Allen Bolt Torque
Torque (T) can be calculated by the formula:
T = K × Fo × d
Where:
- K is the torque coefficient (typically 0.12–0.25),
- Fo is the preload force (0.6–0.7 × yield strength × stress area),
- d is the nominal diameter.
Lubrication, material, and the presence of thread adhesives will affect required torque.
Allen Bolt Torque Value Chart (Reference)
| Size (mm) | 4.8 Class | 6.8 Class | 8.8 Class | 10.9 Class | 12.9 Class |
|---|---|---|---|---|---|
| M1 | 0.09 | 0.13 | 0.16 | 0.22 | 0.25 |
| M1.2 | 0.16 | 0.22 | 0.27 | 0.35 | 0.40 |
| M1.4 | 0.23 | 0.32 | 0.38 | 0.48 | 0.55 |
| M1.6 | 0.29 | 0.42 | 0.50 | 0.65 | 0.75 |
| M2 | 0.49 | 0.71 | 0.85 | 1.10 | 1.25 |
| M2.5 | 0.98 | 1.40 | 1.70 | 2.20 | 2.50 |
| M3 | 1.60 | 2.35 | 2.80 | 3.80 | 4.40 |
| M4 | 3.00 | 4.20 | 5.00 | 6.80 | 7.80 |
| M5 | 6.00 | 8.40 | 10.00 | 13.70 | 16.00 |
| M6 | 7.00 | 10.00 | 12.00 | 17.00 | 20.00 |
| M8 | 17.00 | 24.00 | 29.00 | 41.00 | 49.00 |
| M10 | 34.00 | 48.00 | 58.00 | 81.00 | 96.00 |
| M12 | 60.00 | 84.00 | 99.00 | 137.00 | 160.00 |
| M13 | 80.00 | 110.00 | 130.00 | 180.00 | 210.00 |
| M14 | 98.00 | 137.00 | 165.00 | 225.00 | 225.00 |
| M16 | 137.00 | 206.00 | 247.00 | 353.00 | 353.00 |
| M18 | 137.00 | 206.00 | 284.00 | 480.00 | 480.00 |
| M20 | 196.00 | 296.00 | 402.00 | 569.00 | 680.00 |
| M22 | 225.00 | 333.00 | 539.00 | 765.00 | 911.00 |
| M24 | 314.00 | 470.00 | 686.00 | 980.00 | 1176.00 |
| M27 | 441.00 | 637.00 | 1029.00 | 1472.00 | 1764.00 |
| M30 | 588.00 | 882.00 | 1225.00 | 1960.00 | 2350.00 |
| M33 | 735.00 | 1127.00 | 1470.00 | 2060.00 | 2450.00 |
| M36 | 980.00 | 1470.00 | 1764.00 | 2453.00 | 2940.00 |
| M39 | 1176.00 | 1764.00 | 2156.00 | 2943.00 | 3626.00 |
| M42 | 1519.00 | 2352.00 | 2744.00 | 3970.00 | 4606.00 |
| M45 | 1764.00 | 2744.00 | 3136.00 | 4580.00 | 5295.00 |
| M48 | 2254.00 | 3430.00 | 4704.00 | 5592.00 | 6860.00 |
| M52 | 2744.00 | 4116.00 | 4800.00 | 6573.00 | 8330.00 |
| M56 | 3528.00 | 5149.00 | 5968.00 | 8437.00 | 10520.00 |
| M60 | 4018.00 | 5978.00 | 7742.00 | 11017.00 | 13230.00 |
| M64 | 4998.00 | 7448.00 | 8820.00 | 13230.00 | 13230.00 |
Notes:
- Unit: All values are Newton-meters (Nm).
- Strength Class: These are standard classes for metric bolts (4.8, 6.8, 8.8, 10.9, 12.9).
- Recommended Use: Use 70–80% of the maximum value above for typical tightening torque (to prevent thread/yield damage).
- Small Sizes: For M1–M5, values are based on ISO 898 and engineering handbooks.
- Large Sizes: For M36 and above, values may vary between standards; if critical, consult the bolt supplier.
More FAQs About Allen Bolts (Screws)
How to Remove a Stripped Allen Bolt/Screw?
There are several techniques:
- Pliers or Vice-Grips: If the bolt protrudes, grip and turn it out.
- Rubber Band or Friction Drops: Place a rubber band between the stripped socket and the key for extra grip.
- Epoxy Method: Attach the key to the bolt using epoxy, let it cure, and twist out.
- Cutting a Slot: Use a rotary tool to cut a slot and use a flat screwdriver.
- Extractor Bits: Use a screw extractor designed for removing stripped screws.
- Welding a Nut: For larger bolts, weld a nut on top and turn out with a wrench.
- Heat: Use a soldering iron or torch to loosen threadlockers.
HEX BOLT vs ALLEN BOLT – What Are the Differences?
- Head Type: Hex bolts have a six-sided external head, used with a spanner or socket. Allen bolts have a cylindrical or other shaped head with an internal hex socket.
- Tool Used: Hex bolts use open-end or box wrenches. Allen bolts use an Allen key.
- Applications: Allen bolts are preferred where a flush finish is needed or space is limited. Hex bolts are used for general construction and heavy-duty purposes.
How to Get a Rounded Allen Key Bolt Out?
If an Allen key bolt is rounded:
- Try a slightly larger or oversize hex key, or a torx or triple-square bit hammered in.
- Use extractor sets designed for damaged bolts.
- Grind a slot and use a flathead driver if there is enough head material.
- Attach locking pliers if the head is exposed.
- For stubborn bolts, consider heat or welding a nut for extra leverage.






